42步进电机驱动器

华工捷信服务热线

18813676580
13923484902

当前位置: 首页 > 产品中心 > 步进电机驱动器 > 常用步进驱动器 > 常用步进驱动器
产品中心

升级版XND3替代XNFDR4信浓步进电机驱动器

浏览次数: 1478 次

XND3升级版信浓步进电机驱动器替代XNFDR4
适用于28、42、57mm、60mm步进电机。
主要应用于点胶机、雕刻机、激光设备、医疗设备、贴标机、电子设备、广告设备等自动化设备。

在线QQ咨询

想要获得更多产品信息,请致电: 18813676580
13923484902

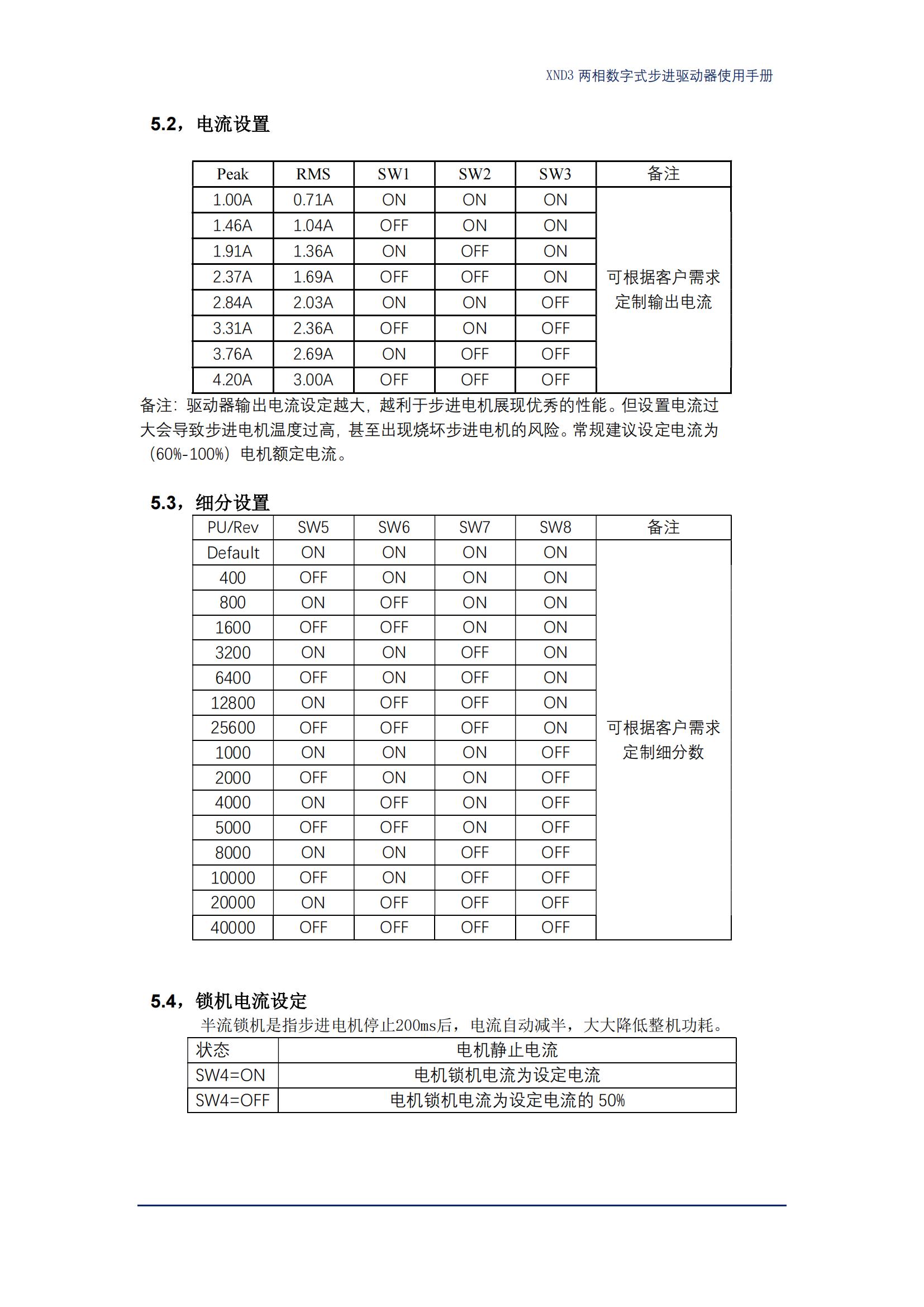
  • 规格参数
  • 尺寸接线图
  • 矩频曲线图
  • 定制选项
  • 文档下载

XND3信浓步进电机驱动器说明书/attached/file/20241017/20241017145173987398.pdf
42步进电机驱动器

扫码关注华工捷信微信

联系方式 contact us
深圳市华工捷信科技有限公司
手机:13923484902(王先生) 电话:0755-86194005
QQ:329629778 邮箱:26054248@qq.com 
网址:www.hgjxjd.com
地址:深圳市南山区海岸时代大厦东座11楼
Copyright @ 2017 深圳市华工捷信科技有限公司 版权所有  
备案号:粤ICP备16107480号

在线客服

点击关闭