


浏览次数: 14461 次
信浓57闭环步进电机
外径尺寸57mm。
信浓60闭环步进电机
外径尺寸60mm
想要获得更多产品信息,请致电: 1881367658013923484902
|
型号 |
步矩角 |
驱动电压 |
电流 |
电阻 |
电感 |
保持转矩 |
转动惯量 |
电机引线数 |
电机重量 |
编码器线数 |
|
|
deg |
V |
A |
Ω |
mH |
mN-m |
g-cm² |
Pin |
kg |
|
|
STP-59D5129 |
1.8 |
48 |
5.0 |
0.45 |
1.85 |
2000 |
470 |
4 |
1.11 |
1000 |
|
STP-59D5140 |
1.8 |
36 |
4.2 |
0.7 |
2.2 |
2100 |
470 |
4 |
1.11 |
1000 |
| STP-60D5035 | 1.8 | 48 | 5.0 | 0.5 | 2.0 | 3000 | 920 | 4 | 1.40 | 1000 |
想要了解更详细的产品资料请联系销售人员!
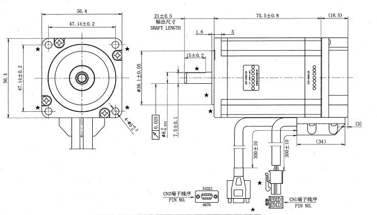
STP-59D5129尺寸图

STP-59D5140尺寸图:


STP-60D5035尺寸图:


/attached/file/20210826/20210826142624282428.pdf STP-59D5129图纸
/attached/file/20220830/20220830145922302230.pdf STP-60D5035图纸

扫码关注华工捷信微信